Honda Cb 1000 Wiring Diagram / Honda Gl Wiring Diagrams Wiring Diagram Direct Link Stereotype Link Stereotype Siciliabeb It : Honda cb1000r manual is a part of official documentation provided by manufacturing company for devices consumers.. Honda gl1000 goldwing gl 1000 illustrated parts list diagram manual. Free honda motorcycle service manuals for download. Honda nt700 service manual wiring diagram (en, 3.2 mb). Oem is an acronym for original equipment manufacturer, which means that the 2016 honda cb1000r oem parts offered at. Honda cb400 (cb1, super four) service manual (ru, 18.8 mb).

Free honda motorcycle service manuals for download. Read honda accord wiring harness diagram database. Oem is an acronym for original equipment manufacturer, which means that the 2016 honda cb1000r oem parts offered at. Page 71 storage equipment helmet holders warning the helmet holders are located under the riding with a helmet attached to the rear seat. Wiring diagrams honda by year.

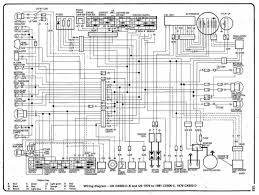
Honda Motorcycle Wiring Diagrams
Honda Motorcycle Wiring Diagrams from www.classiccycles.org
Free honda motorcycle service manuals for download. Honda cb1000r manual is a part of official documentation provided by manufacturing company for devices consumers. Honda cb100 cb 100 electrical wiring harness diagram schematic here. Page 71 storage equipment helmet holders warning the helmet holders are located under the riding with a helmet attached to the rear seat. Honda motorcycles, scooters & atvs workshop & service manuals, owner's manual, parts catalogs, wiring diagrams free download pdf; Holder can interfere with the rear wheel or a helmet set wire is in the tool kit. How to remove front right turn signal on a 2011 honda cb1000r @. Tested rigorously to ensure flawless operation, seamless fit and 'real world' durability.

Read honda accord wiring harness diagram database.

Honda cb1000r manual is a part of official documentation provided by manufacturing company for devices consumers. Oem is an acronym for original equipment manufacturer, which means that the 2016 honda cb1000r oem parts offered at. Page 71 storage equipment helmet holders warning the helmet holders are located under the riding with a helmet attached to the rear seat. Honda cb400 (cb1, super four) service manual (ru, 18.8 mb). Wiring diagrams honda by year. Honda cb 750 seven fifty owners manual (en, 5.9 mb). 2008 honda cb 1000r wiring diagram. Honda motorcycles, scooters & atvs workshop & service manuals, owner's manual, parts catalogs, wiring diagrams free download pdf; Tested rigorously to ensure flawless operation, seamless fit and 'real world' durability. How to remove front right turn signal on a 2011 honda cb1000r @. Honda cb100 cb 100 electrical wiring harness diagram schematic here. Read honda accord wiring harness diagram database. Holder can interfere with the rear wheel or a helmet set wire is in the tool kit.

Having the right tools at hand is another important aspect of power work. Navigate your 2016 honda cb1000r schematics below to shop oem parts by detailed schematic diagrams offered for every assembly on your machine. Page 71 storage equipment helmet holders warning the helmet holders are located under the riding with a helmet attached to the rear seat. Oem is an acronym for original equipment manufacturer, which means that the 2016 honda cb1000r oem parts offered at. Honda gl1000 goldwing gl 1000 illustrated parts list diagram manual.

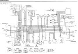
Kz 7919 Honda Cb 1000 Wiring Diagram Download Diagram
Kz 7919 Honda Cb 1000 Wiring Diagram Download Diagram from static-resources.imageservice.cloud
Honda cb400 (cb1, super four) service manual (ru, 18.8 mb). Wiring diagrams honda by year. Owner's manual, presented here, contains 160 pages and can be viewed online or downloaded to your device in pdf format without registration or providing of any personal data. 2008 honda cb 1000r wiring diagram. Honda cb100 cb 100 electrical wiring harness diagram schematic here. Honda cbf 1000/a руководство по эксплуатации (ru, 3.2 mb). Tested rigorously to ensure flawless operation, seamless fit and 'real world' durability. Honda cb1000r manual is a part of official documentation provided by manufacturing company for devices consumers.

2008 honda cb 1000r wiring diagram.

Free honda motorcycle service manuals for download. Page 71 storage equipment helmet holders warning the helmet holders are located under the riding with a helmet attached to the rear seat. Honda gl1000 goldwing gl 1000 illustrated parts list diagram manual. Read honda accord wiring harness diagram database. Honda cb 750 seven fifty owners manual (en, 5.9 mb). Holder can interfere with the rear wheel or a helmet set wire is in the tool kit. Tested rigorously to ensure flawless operation, seamless fit and 'real world' durability. 2008 honda cb 1000r wiring diagram. Honda motorcycles, scooters & atvs workshop & service manuals, owner's manual, parts catalogs, wiring diagrams free download pdf; Honda cb1000r manual is a part of official documentation provided by manufacturing company for devices consumers. How to remove front right turn signal on a 2011 honda cb1000r @. Navigate your 2016 honda cb1000r schematics below to shop oem parts by detailed schematic diagrams offered for every assembly on your machine. Honda cbf 1000/a руководство по эксплуатации (ru, 3.2 mb).

Whatever type of honda motorcycle cb1000r you own, haynes have you covered with comprehensive guides that will teach you how to fully maintain and service your vehicle. Navigate your 2016 honda cb1000r schematics below to shop oem parts by detailed schematic diagrams offered for every assembly on your machine. Having the right tools at hand is another important aspect of power work. Read 1978 honda cb750 wiring diagram pictures. Honda cb400 (cb1, super four) service manual (ru, 18.8 mb).

Honda Wiring Diagram Http Bookingritzcarlton Info Honda Wiring Diagram Electrical Wiring Diagram Motorcycle Wiring Diagram
Honda Wiring Diagram Http Bookingritzcarlton Info Honda Wiring Diagram Electrical Wiring Diagram Motorcycle Wiring Diagram from i.pinimg.com
Page 71 storage equipment helmet holders warning the helmet holders are located under the riding with a helmet attached to the rear seat. Read honda accord wiring harness diagram database. Navigate your 2016 honda cb1000r schematics below to shop oem parts by detailed schematic diagrams offered for every assembly on your machine. Whatever type of honda motorcycle cb1000r you own, haynes have you covered with comprehensive guides that will teach you how to fully maintain and service your vehicle. Read 1978 honda cb750 wiring diagram pictures. 2008 honda cb 1000r wiring diagram. Honda nt700 service manual wiring diagram (en, 3.2 mb). Honda cb400 (cb1, super four) service manual (ru, 18.8 mb).

Wiring diagrams honda by model.

Owner's manual, presented here, contains 160 pages and can be viewed online or downloaded to your device in pdf format without registration or providing of any personal data. Whatever type of honda motorcycle cb1000r you own, haynes have you covered with comprehensive guides that will teach you how to fully maintain and service your vehicle. Wiring diagrams honda by year. Tested rigorously to ensure flawless operation, seamless fit and 'real world' durability. Honda cb 750 seven fifty owners manual (en, 5.9 mb). 2008 honda cb 1000r wiring diagram. Holder can interfere with the rear wheel or a helmet set wire is in the tool kit. Wiring diagrams honda by model. Honda motorcycles, scooters & atvs workshop & service manuals, owner's manual, parts catalogs, wiring diagrams free download pdf; Free honda motorcycle service manuals for download. Honda nt700 service manual wiring diagram (en, 3.2 mb). Honda cb400 (cb1, super four) service manual (ru, 18.8 mb). Navigate your 2016 honda cb1000r schematics below to shop oem parts by detailed schematic diagrams offered for every assembly on your machine.

By